Product Descriptions
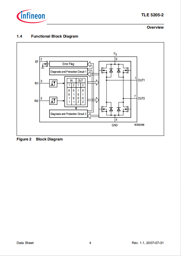
The TLE 5205-2 is an integrated power H-bridge with DMOS output stages for drivingDC-Motors. The part is built using the Infineon multi-technology process SPT whichallows bipolar and CMOS control circuitry plus DMOS power devices to exist on thesame monolithic structure.
Operation modes forward (cw), reverse (ccw), brake and high impedance are invokedfrom just two control pins with TTL/CMOS compatible levels. The combination of anextremely low Rps on and the use of a power lC package with low thermal resistance andhigh thermal capacity helps to minimize system power dissipation. A blocking capacitorat the supply voltage is the only external circuitry due to the integrated freewheelingdiodes.
Product Features
? Delivers up to 5 A continuous 6 A peak current
? Optimized for DC motor management applications
? Operates at supply voltages up to 40V
? Very low Rps on; typ. 200 m2 @ 25 C per switch
? Output full short circuit protected
? Overtemperature protection with hysteresis and diagnosis
? Short circuit and open load diagnosis with open drain error flag
? Undervoltage lockout
? CMOS/TTL compatible inputs with hysteresis
? No crossover current
? Internal freewheeling diodes
? Wide temperature range; - 40 ·C < 7 < 150 C
? Green Product (RoHS compliant)
? AEC Qualified
Specifications
| Attribute | Attribute value |
| ANSM-Part# | ANSM-TLE52052GAUMA1 |
| Category | Integrated Circuits (ICs) |
| Power Management (PMIC) | |
| Motor Drivers, Controllers | |
| Mfr | - |
| Series | SPT? |
| Package | Tape & Reel (TR) |
| Cut Tape (CT) | |
| Digi-Reel? | |
| Product Status | Obsolete |
| Motor Type - Stepper | - |
| Motor Type - AC, DC | Brushed DC |
| Function | Driver - Fully Integrated, Control and Power Stage |
| Output Configuration | Half Bridge (2) |
| Interface | Parallel |
| Technology | DMOS |
| Step Resolution | - |
| Applications | Automotive |
| Current - Output | 5A |
| Voltage - Supply | 5.3V ~ 40V |
| Voltage - Load | 5.3V ~ 40V |
| Operating Temperature | -40°C ~ 150°C (TJ) |
| Mounting Type | Surface Mount |
| Package / Case | TO-263-8, D2Pak (7 Leads + Tab), TO-263CA |
| Supplier Device Package | PG-TO263-7-1 |
| Base Product Number | TLE5205 |
Actual product photos

Product Data Book:





For more product information, please download the PDF
Payment&Transportation

Official Certificate&Certificate

Multiple product supply

Company office environment

Warehouse Real Shot

Standard packaging

We also provide :
| Part No | Manufacturer | Date Code | Quantity | Description |
| LM22676ADJ | NS | 19+ | 250 | SOP8 |
| TPS562201DDCR | TI | 22+ | 795500 | SOT23-6 |
| NJG1806K75 | JRC | 22+ | 500000 | DFN6 |
| TLV74318PDQNR | TI | 22+ | 402000 | X2SON-4 |
| NJG1801K75 | JRC | 22+ | 300000 | SMD |
| NJG1804K64 | JRC | 22+ | 300000 | DFN8 |
| LM27761DSGR | TI | 22+ | 151000 | WSON8 |
| TLV62565DBVR | TI | 22+ | 138000 | SOT23-5 |
| TPS613222ADBVR | TI | 22+ | 108000 | SOT23-5 |
| LNK625DG-TL | POWER | 22+ | 100000 | SOP-8 |
| OPA4322AIPWR | TI | 22+ | 100000 | TSSOP14 |
| TLV75528PDRVR | TI | 22+ | 99000 | WSON-6 |
| TPS7A2025PDQNR | TI | 22+ | 78500 | X2SON-4 |
| TLV62568DBVR | TI | 22+ | 72000 | SOT23-5 |
| STM32L051K8U6TR | ST | 22+ | 60000 | QFN32 |
| SKY66421-11 | SKYWORKS | 22+ | 56500 | QFN16 |
| TPS7A1111PDRVR | TI | 22+ | 54000 | WSON6 |
| TLV62569PDDCR | TI | 22+ | 52000 | SOT23-6 |
| TLV62569DBVR | TI | 22+ | 48000 | SOT23-5 |
| TPS23753APWR | TI | 22+ | 40000 | TSSOP14 |
| NB691GG-Z | MPS | 22+ | 30000 | QFN |
| SN74AHC1G02DBVR | TI | 22+ | 27939 | SOT-23 |
| TPS63000DRCR | TI | 22+ | 23238 | VSON10 |
| TLV75533PDRVR | TI | 22+ | 21500 | WSON6 |
| NB687BGQ-Z | MPS | 22+ | 20000 | QFN |
| A3916GESTR-T-1 | ALLEGRO | 22+ | 17150 | QFN-20 |
| TPS62135RGXR | TI | 22+ | 15000 | VQFN11 |
| TLE2022AMDR | TI | 0803+ | 12500 | SOP8 |
| TPS23756PWPR | TI | 22+ | 12000 | HTSSOP-20 |





